| Application module: Interconnect module usage view | ISO/TS 10303-1686:2018-11(E) © ISO |
This clause specifies the information requirements for the Interconnect module usage view application module. The information requirements are specified as the Application Reference Model (ARM) of this application module.
NOTE 1 A graphical representation of the information requirements is given in Annex C.
NOTE 2 The mapping specification is specified in 5.1. It shows how the information requirements are met by using common resources and constructs defined or imported in the MIM schema of this application module.
This clause defines the information requirements to which implementations shall conform using the EXPRESS language as defined in ISO 10303-11. The following begins the Interconnect_module_usage_view_arm schema and identifies the necessary external references.
EXPRESS specification:
*)
SCHEMA Interconnect_module_usage_view_arm;
(*
The following EXPRESS interface statements specify the elements imported from the ARMs of other application modules.
EXPRESS specification:
*)
USE FROM
Characteristic_arm;
--
ISO/TS 10303-1654
USE FROM
Functional_assignment_to_part_arm;
--
ISO/TS 10303-1674
USE FROM
Functional_usage_view_arm;
--
ISO/TS 10303-1705
USE FROM
Geometric_tolerance_arm;
--
ISO/TS 10303-1051
USE FROM
Non_feature_shape_element_arm;
--
ISO/TS 10303-1706
REFERENCE FROM
Requirement_decomposition_arm
--
ISO/TS 10303-1740
(get_rvd);
(*
NOTE 1 The schemas referenced above are specified in the following part of ISO 10303:
Characteristic_arm ISO/TS 10303-1654 Functional_assignment_to_part_arm ISO/TS 10303-1674 Functional_usage_view_arm ISO/TS 10303-1705 Geometric_tolerance_arm ISO/TS 10303-1051 Non_feature_shape_element_arm ISO/TS 10303-1706 Requirement_decomposition_arm ISO/TS 10303-1740
NOTE 2 See Annex C, Figures C.1, C.2and C.3 for a graphical representation of this schema.
This subclause specifies the ARM type for this application module. The ARM type and definition is specified below.

The cavity_reference_select type allows for the designation of the data types Interconnect_module_primary_surface, and Interconnect_module_secondary_surface.
EXPRESS specification:
*)
TYPE
cavity_reference_select =
SELECT
(Interconnect_module_primary_surface,
Interconnect_module_secondary_surface);
END_TYPE;
(*
This subclause specifies the ARM entities for this module. Each ARM application entity is an atomic element that embodies a unique application concept and contains attributes specifying the data elements of the entity. The ARM entities and definitions are specified below.


An Interconnect_module_cavity_surface is a type of Interconnect_module_surface_feature. When this information is represented by a planar shape, the interpretation is to be that the planar shape represents a projection of the maximum extent of the Interconnect_module_cavity_surface onto the planar shape. The Interconnect_module_cavity_surface forms an internal physical boundary of the interconnect substrate. The Interconnect_module_cavity_surface is represented by a closed curve in two dimensional representations and by a manifold surface in three dimensional representations.
NOTE 1 Care should be taken in pre-processors to ensure that both two and three dimensional representations adhere to reasonable industrial practice regarding tangential intersections of curves and straight line segments.
NOTE 2 The Interconnect_module_cavity_surface is represented as a simple or complex Cutout in the design view.
EXPRESS specification:
*)
ENTITY Interconnect_module_cavity_surface
SUBTYPE OF (Interconnect_module_surface_feature);
reference_surface : cavity_reference_select;
WHERE
WR1: SELF :<>: reference_surface;
WR2: SIZEOF(QUERY(ucur <* USEDIN(SELF,
'PART_FEATURE_LOCATION_ARM.USAGE_CONCEPT_USAGE_RELATIONSHIP.' +
'ASSOCIATED_USAGE') | NOT
('CONSTRUCTIVE_SOLID_GEOMETRY_2D_ARM.SINGLE_BOUNDARY_CSG_2D_MODEL' IN TYPEOF(ucur.associated_shape_definition))
)) = 0;
END_ENTITY;
(*
Attribute definitions:
reference_surface: specifies the cavity_reference_select for the Interconnect_module_cavity_surface.
Formal propositions:
WR1: The reference_surface shall not be this Interconnect_module_cavity_surface.
WR2: Only a Single_boundary_csg_2d_model shall be used as the shape model for an Interconnect_module_cavity_surface.


An Interconnect_module_cutout_segment_surface is a type of Interconnect_module_surface_feature. An Interconnect_module_cutout_segment_surface identifies a segment of the cutout surface of the Layered_interconnect_module_design_view for fabrication and assembly purposes. The curve representing this concept in two dimensional representations shall be open. The surface representing this concept in three dimensional representations shall be non-manifold. Pre-processors shall adhere to the requirement that the boundary this segment is contributing to shall be closed.
NOTE This data is usage view contextual data.
If a design view is provided and this member of Interconnect_module_cutout_segment_surface is specified by a member of Stratum_concept_to_physical_usage_view_assignment in the role of defined_part_feature, a member of Interconnect_module_cutout_segment_surface shall be the only possibilities permitted to be specified for the role of assigned_design_object for that member of Stratum_concept_to_physical_usage_view_assignment.
EXPRESS specification:
*)
ENTITY Interconnect_module_cutout_segment_surface
SUBTYPE OF (Interconnect_module_surface_feature);
composed_surface : Interconnect_module_cutout_surface;
start_vertex : Edge_segment_vertex;
end_vertex : Edge_segment_vertex;
WHERE
WR1: start_vertex :<>: end_vertex;
END_ENTITY;
(*
Attribute definitions:
composed_surface: specifies the Interconnect_module_cutout_surface for an Interconnect_module_cutout_segment_surface.
start_vertex: specifies the initial Edge_segment_vertex for an Interconnect_module_cutout_segment_surface.
end_vertex: specifies the final Edge_segment_vertex for an Interconnect_module_cutout_segment_surface.
Formal propositions:
WR1: The end_vertex shall not be the start_vertex.


An Interconnect_module_cutout_surface is a type of a Interconnect_module_surface_feature that is completely through the material of the Layered_interconnect_module_design_view in the Interconnect_module_usage_view. When this information is represented by a planar shape, the interpretation is to be that the planar shape represents a projection of the maximum extent of the Interconnect_module_cutout_surface onto the planar shape. The Interconnect_module_cutout_surface forms an internal physical boundary of the interconnect substrate. The Interconnect_module_cutout_surface is represented by a closed curve in two dimensional representations and by a manifold surface in three dimensional representations.
NOTE Care should be taken in pre-processors to ensure that both two and three dimensional representations adhere to reasonable industrial practice regarding tangential intersections of curves and straight line segments.
EXPRESS specification:
*)
ENTITY Interconnect_module_cutout_surface
SUBTYPE OF (Interconnect_module_surface_feature);
WHERE
WR1: SIZEOF(QUERY(ucur <* USEDIN(SELF,
'PART_FEATURE_LOCATION_ARM.USAGE_CONCEPT_USAGE_RELATIONSHIP.' +
'ASSOCIATED_USAGE') | NOT
('CONSTRUCTIVE_SOLID_GEOMETRY_2D_ARM.SINGLE_BOUNDARY_CSG_2D_MODEL' IN
TYPEOF(ucur.associated_shape_definition)))) = 0;
END_ENTITY;
(*
Formal propositions:
WR1: Only a Single_boundary_csg_2d_model shall be used as the shape model for an Interconnect_module_cutout_surface.


An Interconnect_module_edge_segment_surface is a type of Interconnect_module_surface_feature. An Interconnect_module_edge_segment_surface identifies a segment of the edge surface of the Layered_interconnect_module_design_view for fabrication and assembly purposes. The curve representing this concept in two dimensional representations shall be open. The surface representing this concept in three dimensional representations shall be non-manifold. Pre-processors shall adhere to the requirement that the boundary this segment is contributing to shall be closed.
NOTE This data is usage view contextual data.
If a design view is provided and this member of Interconnect_module_edge_segment_surface is specified by a member of Stratum_concept_to_physical_usage_view_assignment in the role of defined_part_feature, a member of Interconnect_module_edge_segment or a member of Plated_interconnect_module_edge_segment shall be the only possibilities permitted to be specified for the role of assigned_design_object for that member of Stratum_concept_to_physical_usage_view_assignment.
EXPRESS specification:
*)
ENTITY Interconnect_module_edge_segment_surface
SUBTYPE OF (Interconnect_module_surface_feature);
composed_surface : Interconnect_module_edge_surface;
start_vertex : Edge_segment_vertex;
end_vertex : Edge_segment_vertex;
WHERE
WR1: start_vertex :<>: end_vertex;
END_ENTITY;
(*
Attribute definitions:
composed_surface: specifies the Interconnect_module_edge_surface for the Interconnect_module_edge_segment_surface.
start_vertex: specifies the initial Edge_segment_vertex for the Interconnect_module_edge_segment_surface.
end_vertex: specifies the final Edge_segment_vertex for the Interconnect_module_edge_segment_surface.
Formal propositions:
WR1: The end_vertex shall not be the start_vertex.


An Interconnect_module_edge_surface is a type of Interconnect_module_surface_feature. An Interconnect_module_edge_surface identifies the edge surface of the Layered_interconnect_module_design_view for fabrication and assembly purposes. When this information is represented by a planar shape, the interpretation is to be that the planar shape represents a projection of the maximum extent of the Interconnect_module_edge_surface onto the planar shape. The Interconnect_module_edge_surface forms an outer physical boundary of the interconnect substrate. The Interconnect_module_edge_surface is represented by a closed curve in two dimensional representations and by a manifold surface in three dimensional representations.
NOTE Care should be taken in pre-processors to ensure that both two and three dimensional representations adhere to reasonable industrial practice regarding tangential intersections of curves and straight line segments.
EXPRESS specification:
*)
ENTITY Interconnect_module_edge_surface
SUBTYPE OF (Interconnect_module_surface_feature);
WHERE
WR1: SIZEOF(QUERY(ucur <* USEDIN(SELF,
'PART_FEATURE_LOCATION_ARM.USAGE_CONCEPT_USAGE_RELATIONSHIP.' +
'ASSOCIATED_USAGE') | NOT
('CONSTRUCTIVE_SOLID_GEOMETRY_2D_ARM.SINGLE_BOUNDARY_CSG_2D_MODEL' IN
TYPEOF(ucur.associated_shape_definition)))) = 0;
END_ENTITY;
(*
Formal propositions:
WR1: Only a Single_boundary_csg_2d_model shall be used as the shape model for an Interconnect_module_edge_surface.


EXAMPLE The tinned surface of a Land is designed to accept a surface mount lead. The tinned surface of the Land would be bound to the Interconnect_module_interface_terminal by a feature to usage view assignment relationship.
NOTE The distinction of an interface terminal for a substrate only exists to support classification of an application of a substrate as being a product application where the substrate is delivered as a discrete product versus the application where the design of the substrate is consumed in another substrate design and is not separately supplied as a product.
EXPRESS specification:
*)
ENTITY Interconnect_module_interface_terminal
SUBTYPE OF (Interconnect_module_terminal);
DERIVE
SELF\Part_terminal.interface_or_join_terminal : interface_or_join_terminal_enumeration := interface_or_join_terminal_enumeration.interface_terminal;
END_ENTITY;
(*
Attribute definitions:
interface_or_join_terminal: the terminal shall be an interface_terminal.


An Interconnect_module_primary_surface is a type of Interconnect_module_surface_feature. An Interconnect_module_primary_surface identifies the primary surface of the Layered_interconnect_module_design_view for fabrication and assembly purposes. A member of Stratum_concept_to_physical_usage_view_assignment shall be populated in order to associate this object to the primary Stratum if a design view of the substrate is included in the data. An Interconnect_module_primary_surface is an approximation of the real primary surface.
NOTE It is not usually the case that the physical material visible on the surface of the substrate or pcb is the same material as that of the primary Stratum. The level of information provided by this object is usually sufficient for assembly purposes, but will be in error by the thickness of the Stratum above the primary Stratum. That Stratum will be the material of at least part of the surface of the substrate. Full three-dimensional representation capability and location of individual Interconnect_module_component_terminal associated by Assembly_joint to the component feature being assembled to the substrate is required to represent exactly the mating conditions.
EXPRESS specification:
*)
ENTITY Interconnect_module_primary_surface
SUBTYPE OF (Interconnect_module_surface_feature);
END_ENTITY;
(*


An Interconnect_module_secondary_surface is a type of Interconnect_module_surface_feature. An Interconnect_module_secondary_surface identifies the secondary surface of the Layered_interconnect_module_design_view for fabrication and assembly purposes. If a design view is populated, and correlation to a Stratum is provided, the Stratum associated with this member of Interconnect_module_primary_surface shall be the last Stratum in the design.
NOTE The Stratum_concept_to_physical_usage_view_assignment, and Stratum_surface provide supporting data needed to resolve the position of the Stratum in the design. Because the secondary surface is derived structurally from the primary Stratum, there is no approximation made in the description.
EXPRESS specification:
*)
ENTITY Interconnect_module_secondary_surface
SUBTYPE OF (Interconnect_module_surface_feature);
END_ENTITY;
(*


EXPRESS specification:
*)
ENTITY Interconnect_module_surface_feature
ABSTRACT SUPERTYPE
OF (ONEOF (Interconnect_module_cavity_surface,
Interconnect_module_cutout_segment_surface,
Interconnect_module_cutout_surface,
Interconnect_module_secondary_surface,
Interconnect_module_primary_surface,
Interconnect_module_edge_surface,
Interconnect_module_edge_segment_surface))
SUBTYPE OF (Part_feature);
SELF\Part_feature.associated_definition : Layered_interconnect_module_usage_view;
END_ENTITY;
(*
Attribute definitions:
associated_definition: specifies a role of the Interconnect_module_usage_view for the Interconnect_module_surface_feature.


An Interconnect_module_terminal is a type of Part_terminal. The Interconnect_module_terminal identification is provided by the element_name attribute inherited from Shape_element. The string may include a substring that indicates to a person the connector the Interconnect_module_terminal is associated with. An Interconnect_module_terminal may be referenced by a member of Part_connected_terminals_definition to identify a connection requirement for the Layered_interconnect_module_design_view.
NOTE 1 The Interconnect_module_terminal may be an Interconnect_module_stratum_based_terminal but this fact is not structurally captured in this application object due to the need to require that the Interconnect_module_terminal shall be one of the two specified subtypes.
NOTE 2 This part of ISO 10303 does not explicitly model, in a usage view, the relationship of a printed connector to an Layered_interconnect_module_design_view in addition to the associated_definition relationship provided in this Application Object.
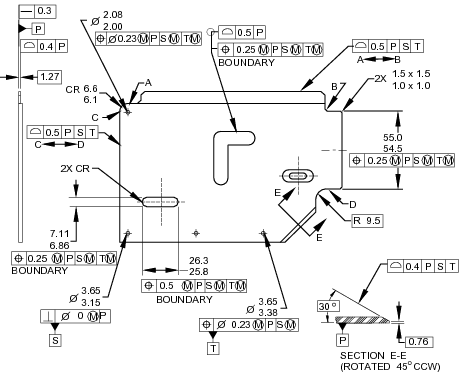
EXAMPLE Figure 1 illustrates a detail of a usage view that shows an Interconnect_module_terminal that is a part of an edge finger connector.

EXPRESS specification:
*)
ENTITY Interconnect_module_terminal
SUBTYPE OF (Part_terminal);
connection_area :
OPTIONAL
SET[1:?] OF Connection_zone_in_usage_view;
SELF\Part_feature.associated_definition : Layered_interconnect_module_usage_view;
END_ENTITY;
(*
Attribute definitions:
connection_area: specifies a role of the Connection_zone_in_usage_view for the Interconnect_module_terminal. There may be more than one Connection_zone_in_usage_view for an Interconnect_module_terminal. The value of this attribute need not be specified. If the source system contains the data, then the data shall be provided.
NOTE 3 The Usage_concept_usage_relationship specified by the terminal or mounting feature may be the same Usage_concept_usage_relationship that is specified by the associated Connection_zone. In this case the whole terminal is the Connection_zone.
associated_definition: specifies a role of the Interconnect_module_usage_view for the Interconnect_module_terminal.


EXPRESS specification:
*)
ENTITY Interconnect_module_terminal_surface_constituent_relationship
SUBTYPE OF (Shape_element_relationship);
SELF\Shape_element_relationship.relating : Interconnect_module_surface_feature;
SELF\Shape_element_relationship.related : Interconnect_module_terminal;
END_ENTITY;
(*
Attribute definitions:
relating: one of the instances of Interconnect_module_surface_feature that is part of the relationship.
related: the other instance of Interconnect_module_terminal that is part of the relationship. If one element of the relationship is dependent upon the other, this attribute shall be the dependent one.


EXPRESS specification:
*)
ENTITY Interconnect_module_usage_view
SUPERTYPE OF (Layered_interconnect_module_usage_view)
SUBTYPE OF (Part_usage_view);
END_ENTITY;
(*


A Layered_interconnect_module_usage_view is a type of Interconnect_module_usage_view that provides the information necessary to include the Layered_interconnect_module_design_view in its next higher level assembly for design and some simulation purposes, but may not include sufficient information to reproduce the Pcb.
EXAMPLE Some of the information in figures 2 and 3 may be included in a usage view; especially that information that communicate fit tolerances.


EXPRESS specification:
*)
ENTITY Layered_interconnect_module_usage_view
SUBTYPE OF (Interconnect_module_usage_view);
thickness_over_dielectric_requirement :
OPTIONAL
Length_tolerance_characteristic;
thickness_over_metal_requirement :
OPTIONAL
Length_tolerance_characteristic;
located_thickness_requirement :
OPTIONAL
SET[1:?] OF Located_interconnect_module_thickness_requirement;
implemented_function :
OPTIONAL
Functional_unit_usage_view;
WHERE
WR1: SIZEOF(QUERY(pf <* USEDIN(SELF,
'INTERCONNECT_MODULE_USAGE_VIEW_ARM.INTERCONNECT_MODULE_SURFACE_FEATURE.ASSOCIATED_DEFINITION') | ('INTERCONNECT_MODULE_USAGE_VIEW_ARM.'
+ 'INTERCONNECT_MODULE_PRIMARY_SURFACE' IN TYPEOF(pf)))) <= 1;
WR2: SIZEOF(QUERY(pf <* USEDIN(SELF,
'INTERCONNECT_MODULE_USAGE_VIEW_ARM.INTERCONNECT_MODULE_SURFACE_FEATURE.ASSOCIATED_DEFINITION') | ('INTERCONNECT_MODULE_USAGE_VIEW_ARM.'
+ 'INTERCONNECT_MODULE_SECONDARY_SURFACE' IN TYPEOF(pf)))) <= 1;
WR3: SIZEOF(QUERY(pf <* USEDIN(SELF,
'INTERCONNECT_MODULE_USAGE_VIEW_ARM.INTERCONNECT_MODULE_SURFACE_FEATURE.ASSOCIATED_DEFINITION') | ('INTERCONNECT_MODULE_USAGE_VIEW_ARM.'
+ 'INTERCONNECT_MODULE_EDGE_SURFACE' IN TYPEOF(pf)))) <= 1;
WR4: NOT EXISTS(SELF\Product_view_definition.additional_characterization);
END_ENTITY;
(*
Attribute definitions:
thickness_over_dielectric_requirement: specifies the role of the Length_tolerance_characteristic for the Layered_interconnect_module_usage_view. The value of this attribute need not be specified.
thickness_over_metal_requirement: specifies the role of the Length_tolerance_characteristic for the Layered_interconnect_module_usage_view. The value of this attribute need not be specified.
located_thickness_requirement: specifies the role of the Located_interconnect_module_thickness_requirement for the Layered_interconnect_module_usage_view. There shall exist more than one Located_interconnect_module_thickness_requirement for the Layered_interconnect_module_usage_view. The value of this attribute need not be specified.
implemented_function: specifies the role of the Functional_unit_usage_view for the Layered_interconnect_module_usage_view. The value of this attribute need not be specified.
Formal propositions:
WR1: No more than one Interconnect_module_primary_surface shall reference a Layered_interconnect_module_usage_view.
WR2: No more than one Interconnect_module_secondary_surface shall reference a Layered_interconnect_module_usage_view.
WR3: No more than one Interconnect_module_edge_surface shall reference a Layered_interconnect_module_usage_view.
WR4: The additional_characterization shall not be populated.


EXPRESS specification:
*)
ENTITY Located_interconnect_module_thickness_requirement;
reference_location : Axis_placement;
thickness_requirement : Length_tolerance_characteristic;
INVERSE
design : SET[1:?] OF Layered_interconnect_module_usage_view FOR located_thickness_requirement;
UNIQUE
UR1: design, reference_location;
END_ENTITY;
(*
Attribute definitions:
reference_location: specifies the role of the Axis_placement for the Located_interconnect_module_thickness_requirement.
thickness_requirement: specifies the Length_tolerance_characteristic that is the bound for the Located_interconnect_module_thickness_requirement.
design: an inverse relationship that specifies that the existence of the Located_interconnect_module_thickness_requirement is dependent on the existence of the Layered_interconnect_module_usage_view that specifies the Located_interconnect_module_thickness_requirement as its located_thickness_requirement. There shall be one or more Layered_interconnect_module_usage_view for a Located_interconnect_module_thickness_requirement.
Formal propositions:
UR1: The combination of the design and the reference_location shall be unique within a population of Located_interconnect_module_thickness_requirements.
*)
END_SCHEMA; -- Interconnect_module_usage_view_arm
(*
© ISO 2018 — All rights reserved